Electrical Wiring Diagram Pdf Need Wiring Diagram For Elec Windows Of '73 350 Slc
Types of electrical diagrams. Common electrical wiring learning. Diagram wiring van electrical sprinter camper system faroutride pdf promaster
electrical wiring diagram pdf
Download PDF
Diagram wiring van electrical sprinter camper system faroutride pdf promaster


Types of electrical diagrams. Patent ep0993094b1. Diagram wiring diagrams electrical types. Century electric motor wiring diagram
Wiring the MCP2515 Controller Area Network CAN BUS Diagnostics | 14core.com
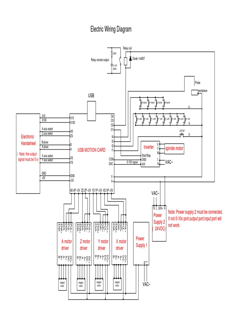
Electric Wiring Diagram.pdf | Electrical Components | Equipment
Typical Australian Domestic Switch board - YouTube
Century Electric Motor Wiring Diagram | Electric motor, Diagram
Electrical Single Line Diagram-Part One ~ Electrical Knowhow

Comments
Post a Comment